Piston Seals
Sealing ring: F-PTFE
O-ring: NBR or FKM
Star-ring: NBR or FKM
Share:
Application Range
Such sealing reserves both the low friction, high-pressure resistant and high-speed features of F-PTFE and possesses sealing characteristics of rubber. It is applicable to some occasions of high-speed, high-pressure and pressure maintaining. It is recommended to use the JAQ sealing for piston accumulators, positioning cylinder and support cylinder and other double-acting pistons. JAQ sealing can also be used for machine tools, pressing machines, rolling mills, shoe machines, accumulators, stabilizer, heavy-duty suspension cylinders, etc. The sealing rings shallbe installed in the ISO 7425 standard grooves.
Please refer to standards of AQ series of Trelleborg Company when designing and selecting.
Features
Possess high sealing efficiency when used in the occasions when the two Medium need to be separated(for example, fluids/fluids or fluids/gas)
Integration of low friction and high-elasticity and possession of dual safety
Good dynamic and static sealing performance
Allows for larger extrusion clearance, depending on the application occasions.it can reduce processing costs
Possess the function of pressure maintaining and small leakage in the oil cylinder a Simple groove design, small installation space, the size of the groove conforms to ISO 7425/1 standard; and can be interchanged with Glyd rings, step seals, etc.
Owing to many kinds of materials can be adopted, it features strong adaptability to working conditions
Good sliding performance with no crawling phenomenon
Working Conditions
| Speed | PressureRange | TemperatureRange | Media | AvailableDiameter Range |
| 2m/s | 0~40MPa | -30℃ +200℃ | Petroleum base hydraulic oil, fire-resistant hydraulic fluid, environmentally-safe hydraulic oil(biological oil), water andothers, depending on thematerials of sealing rings | 16-1500mm |

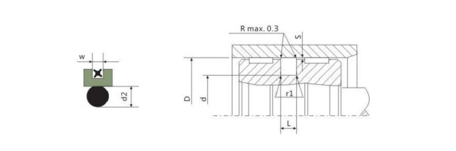
Installation Dimension
| Cylinder Diameter DH9 | Bottom Groove Diameter | Groove Width | Radius | Radial Clearance S max | Sectionof O-ring | Section of Star Ring | |||
| Standard | Heavy duty | dh9 | L+0.2 | r1 | 10MPa | 20MPa | 30MPa | d2 | W |
| 15-39.9 | 40-79.9 | D-11.0 | 4.2 | 1.0 | 0.25 | 0.15 | 0.10 | 3.53 | 1.80 |
| 40-79.9 | 80-132.9 | D-15.5 | 6.3 | 1.3 | 0.3 | 0.20 | 0.15 | 5.33 | 1.80 |
| 80-132.9 | 133-252.9 | D-21.0 | 8.1 | 1.8 | 0.3 | 0.20 | 0.15 | 7.00 | 2.65 |
| 133-252.9 | - | D-24.5 | 8.1 | 1.8 | 0.3 | 0.20 | 0.15 | 7.00 | 2.65 |
| 253-462.9 | D-28.0 | 9.5 | 2.5 | 0.45 | 0.30 | 0.25 | 8.40 | 3.55 | |
| 463-700 | D-35.0 | 11.5 | 3.0 | 0.55 | 0.40 | 0.35 | 10.00 | 5.30 | |
Specification Table
| Order No. | Cylinder Diameter | Bottom Diameter | Width |
| D | d | L+0.2 | |
| MAIS-24-16 | 16 | 5 | 4.2 |
| MAIS-24-18 | 18 | 7 | 4.2 |
| MAIS-24-20 | 20 | 9 | 4.2 |
| MAIS-24-22 | 22 | 11 | 4.2 |
| MAIS-24-25 | 25 | 14 | 4.2 |
| MAIS-24-28 | 28 | 17 | 4.2 |
| MAIS-24-30 | 30 | 19 | 4.2 |
| MAIS-24-32 | 32 | 21 | 4.2 |
| MAIS-24-35 | 35 | 24 | 4.2 |
| MAIS-24-40 | 40 | 29 | 4.2 |
| MAIS-24-42 | 42 | 31 | 4.2 |
| MAIS-24-45 | 45 | 34 | 4.2 |
| MAIS-24-48 | 48 | 37 | 4.2 |
| MAIS-24-50 | 50 | 39 | 4.2 |
| MAIS-24-50/1 | 50 | 34.5 | 6.3 |
| MAIS-24-52 | 52 | 41 | 4.2 |
| MAIS-24-55 | 55 | 44 | 4.2 |
| MAIS-24-60 | 60 | 49 | 4.2 |
| MAIS-24-63 | 63 | 52 | 4.2 |
| MAIS-24-63 | 63 | 47.5 | 6.3 |
| MAIS-24-65 | 65 | 54 | 4.2 |
| MAIS-24-70 | 70 | 59 | 4.2 |
| MAIS-24-180 | 250 | 225.5 | 8.1 |
| MAIS-24-190 | 105 | 89.5 | 6.3 |
| MAIS-24-200 | 110 | 94.5 | 6.3 |
| MAIS-24-210 | 115 | 99.5 | 6.3 |
| MAIS-24-220 | 120 | 104.5 | 6.3 |
| MAIS-24-230 | 125 | 109.5 | 6.3 |
| MAIS-24-240 | 125 | 104 | 8.1 |
| MAIS-24-250 | 130 | 114.5 | 6.3 |
| MAIS-24-250/1 | 135 | 114 | 8.1 |
| MAIS-24-280 | 280 | 252 | 9.5 |
| MAIS-24-300 | 300 | 272 | 9.5 |
| Order No. | Cylinder Diameter | Bottom Diameter | Width |
| D | d | L+0.2 | |
| MAIS-24-70/1 | 70 | 54.5 | 6.3 |
| MAIS-24-75 | 75 | 64 | 4.2 |
| MAIS-24-80 | 80 | 64.5 | 6.3 |
| MAIS-24-80/1 | 80 | 59 | 8.1 |
| MAIS-24-85 | 85 | 69.5 | 6.3 |
| MAIS-24-85/1 | 85 | 64 | 8.1 |
| MAIS-24-90 | 90 | 74.5 | 6.3 |
| MAIS-24-95 | 95 | 79.5 | 6.3 |
| MAIS-24-100 | 100 | 84.5 | 6.3 |
| MAIS-24-100/1 | 100 | 79 | 8.1 |
| MAIS-24-105 | 140 | 119 | 8.1 |
| MAIS-24-110 | 150 | 129 | 8.1 |
| MAIS-24-115 | 160 | 139 | 8.1 |
| MAIS-24-120 | 170 | 149 | 8.1 |
| MAIS-24-125 | 180 | 159 | 8.1 |
| MAIS-24-125/1 | 190 | 169 | 8.1 |
| MAIS-24-130 | 200 | 179 | 8.1 |
| MAIS-24-135 | 210 | 189 | 8.1 |
| MAIS-24-140 | 220 | 199 | 8.1 |
| MAIS-24-150 | 230 | 209 | 8.1 |
| MAIS-24-160 | 240 | 219 | 8.1 |
| MAIS-24-170 | 250 | 229 | 8.1 |
| MAIS-24-310 | 310 | 282 | 9.5 |
| MAIS-24-320 | 320 | 292 | 9.5 |
| MAIS-24-350 | 350 | 322 | 9.5 |
| MAIS-24-400 | 400 | 372 | 9.5 |
| MAIS-24-420 | 420 | 392 | 9.5 |
| MAIS-24-450 | 450 | 422 | 9.5 |
| MAIS-24-480 | 480 | 445 | 11.5 |
| MAIS-24-500 | 500 | 465 | 11.5 |
| MAIS-24-600 | 600 | 565 | 11.5 |
| MAIS-24-650 | 650 | 615 | 11.5 |
| MAIS-24-700 | 700 | 665 | 11.5 |
Related products