Piston Seals
Sealing ring: F-PTFE
O-ring: NBR or FKM
Star-ring: NBR or FKM
Share:
Overview
JAQ5 piston sealing ring is star-ring elastomer installed on the dynamic sealing surface with limited contact point, to realize the separation and sealing between two Medium. It combines the low friction performance of the sealing materials and good sealing performance of the rubber elastomer; such optimization design significantly reduces the friction and minimizes the leakage.
Application Range
JAQ5 piston sealing rings reserve both the low friction, high-pressure resistant and high-speed features of PTFE and possess the sealing characteristics of rubber.They are applicable to some occasions of high-speed, high-pressure and pressure maintaining, and can be used as the sealings of the bidirectional motion piston accumulators and location control cylinders and support cylinders. They can be used for machine tools, pressing machines, rolling mills, shoe machines, piston accumulators, heavy-duty suspension cylinders, etc. It is especially recommended to use them in heavy-duty and large diameter application occasions.
Please refer to the standards of AQ5 series of Trelleborg Company when designing and selecting.
Features
Possess high sealing efficiency when used in occasions that the two Medium need to be separated (for example, fluids/fluids or fluids/gas)
Integration of low friction and high elasticity and possession of dual safety
Low gas permeability
Applicable to high pressures occasions with good sliding performance
God sliding performance with no crawling phenomenon
Simple groove structure and easy for installation
Working Conditions
| Speed | Pressure Range | Temperature Range | Media | AvailableDiameter Range |
| 3m/s | 0~60MPa | -30℃ +200℃ | All common hydraulic oil(including biological oil and gas) | 40-1500mm |

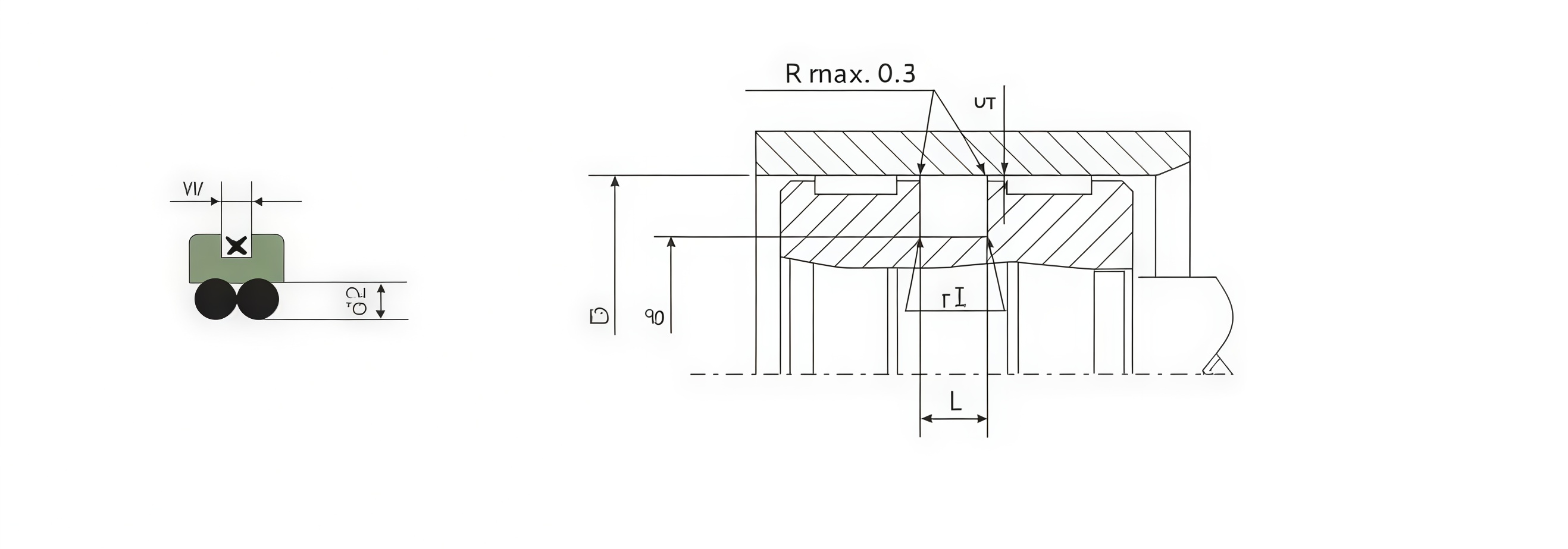
Installation Dimension
| Cylinder Diameter DH9 | Bottom Groove Diameter | Groove Width | Radius | Radial Clearance S max | Sectionof O-ring | Section of Star Ring | |||
| Standard | Heavy-duty | dh9 | L+0.2 | r1 | 10MPa | 20MPa | 30MPa | d2 | W |
| 40-79.9 | 25-140 | D-10.0 | 6.3 | 0.6 | 0.3 | 0.2 | 0.15 | 2.65 | 1.78 |
| 80-132.9 | 50-250 | D-13.0 | 8.3 | 1.0 | 0.4 | 0.3 | 0.15 | 3.55 | 2.62 |
| 133-462.9 | 100-480 | D-18.0 | 12.3 | 1.3 | 0.4 | 0.3 | 0.20 | 5.33 | 3.53 |
| 463-700 | 425-700 | D-31.0 | 16.3 | 1.8 | 0.5 | 0.4 | 0.30 | 7.00 | 5.33 |
Specification Table
| Order No. | Cylinder Diameter | Bottom Diameter | Width |
| D | d | L+0.2 | |
| MAIS-25-40 | 40 | 30 | 6.3 |
| MAIS-25-42 | 42 | 32 | 6.3 |
| MAIS-25-45 | 45 | 35 | 6.3 |
| MAIS-25-48 | 48 | 38 | 6.3 |
| MAIS-25-50 | 50 | 40 | 6.3 |
| MAIS-25-52 | 52 | 42 | 6.3 |
| MAIS-25-55 | 55 | 45 | 6.3 |
| MAIS-25-60 | 60 | 50 | 6.3 |
| MAIS-25-63 | 63 | 53 | 6.3 |
| MAIS-25-65 | 65 | 55 | 6.3 |
| MAIS-25-70 | 70 | 60 | 6.3 |
| MAIS-25-75 | 75 | 65 | 6.3 |
| MAIS-25-80 | 80 | 67 | 8.3 |
| MAIS-25-85 | 85 | 72 | 8.3 |
| MAIS-25-90 | 90 | 77 | 8.3 |
| MAIS-25-95 | 95 | 82 | 8.3 |
| MAIS-25-100 | 100 | 87 | 8.3 |
| MAIS-25-105 | 105 | 92 | 8.3 |
| MAIS-25-110 | 110 | 97 | 8.3 |
| MAIS-25-115 | 115 | 102 | 8.3 |
| MAIS-25-120 | 120 | 107 | 8.3 |
| MAIS-25-125 | 125 | 112 | 8.3 |
| MAIS-25-130 | 130 | 117 | 8.3 |
| MAIS-25-135 | 135 | 117 | 12.3 |
| Order No. | Cylinder Diameter | Bottom Diameter | Width |
| D | d | L+0.2 | |
| MAIS-25-140 | 140 | 122 | 12.3 |
| MAIS-25-150 | 150 | 132 | 12.3 |
| MAIS-25-160 | 160 | 142 | 12.3 |
| MAIS-25-170 | 170 | 152 | 12.3 |
| MAIS-25-180 | 180 | 162 | 12.3 |
| MAIS-25-190 | 190 | 172 | 12.3 |
| MAIS-25-200 | 200 | 182 | 12.3 |
| MAIS-25-210 | 210 | 192 | 12.3 |
| MAIS-25-220 | 220 | 202 | 12.3 |
| MAIS-25-230 | 230 | 212 | 12.3 |
| MAIS-25-240 | 240 | 222 | 12.3 |
| MAIS-25-250 | 250 | 232 | 12.3 |
| MAIS-25-280 | 280 | 262 | 12.3 |
| MAIS-25-300 | 300 | 282 | 12.3 |
| MAIS-25-320 | 320 | 302 | 12.3 |
| MAIS-25-350 | 350 | 332 | 12.3 |
| MAIS-25-400 | 400 | 382 | 12.3 |
| MAIS-25-420 | 420 | 402 | 12.3 |
| MAIS-25-450 | 450 | 432 | 12.3 |
| MAIS-25-480 | 480 | 449 | 16.3 |
| MAIS-25-500 | 500 | 469 | 16.3 |
| MAIS-25-600 | 600 | 569 | 16.3 |
| MAIS-25-650 | 650 | 619 | 16.3 |
| MAIS-25-700 | 700 | 669 | 16.3 |
Related products