Piston Seals
Sealing ring: filled polytetra fluoroethylene (F-PTFE)
O-ring: nitrile rubber(NBR)or fluororubber (FKM)
Share:
Application Range
Used for hydraulic system, reciprocating motion and bidirectional piston seal under high pressure, low pressure and high-frequency working conditions. Apply to the conditions of long and short stroke and occasions of larger range fluid and high temperature, suitable for larger piston clearance, for example it can be used for injection molding machines, bulldozers, agricultural machinery, pressing machines and other machine tools.
Conform to ISO7425/1, GB/T15242.1-94 and GB/T15242.3-94 standards.
Please refer to standards of PG4 series of Trelleborg Company, OMK-MR series of Merkel Company, OE series of Parker Company and YB series of AS Company when designing.
Features
Good dynamic and static sealing performance
Owing to big extrusion clearance, it can also be safely used in the Medium with sewage
Simple groove, and can be used for integral pistons
Hydraulic oil(biological oil)adapted to new environmental safety
Allow bigger extrusion clearance, depending on application occasions, and can reduce the processing costs
Small friction with no crawling phenomenon
Strong adaptability to working conditions for multiple usable types of materials
Working Conditions
| Speed | Pressure Range | Temperature Range | Media | Available Diameter Range |
| 5m/s | 0~60MPa | -30℃~+200℃ | Petroleum base hydraulic oil, fire-resistant hydraulic fluid, environmentally-safe hydraulic oil (biological oil), water and others, depending on thematerials of sealing rings | 8-2000mm |

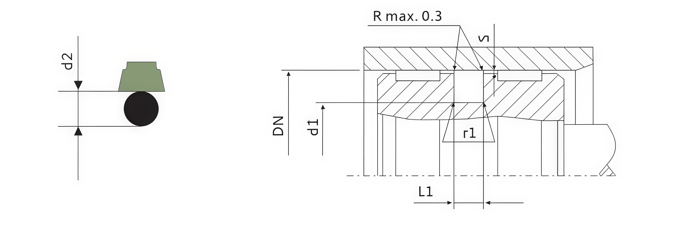
Installation Dimension
| Cylinder diameter Dnf8/h9 | Groovediameter | Groove Width | Fillet | Radial Clearance S max | ||||
| Standard specification | Light-duty | Heavy-duty | d₂h9 | L₁+0.2 | r₁ | 10MPa | 20MPa | 40MPa |
| 8-14.9 | 15-39.9 | - | Dn-4.9 | 2.2 | 0.4 | 0.4 | 0.3 | 0.2 |
| 15-39.3 | 40-79.9 | - | Dn-7.5 | 3.2 | 0.6 | 0.6 | 0.5 | 0.3 |
| 40-79.9 | 80-132.9 | 15-39.9 | Dn-11.0 | 4.2 | 1.0 | 0.7 | 0.5 | 0.3 |
| 80-132.9 | 133-329.9 | 40-79.9 | Dn-15.5 | 6.3 | 1.3 | 0.8 | 0.6 | 0.4 |
| 133-329.9 | 330-669.9 | 80-132.9 | Dn-21.0 | 8.1 | 1.8 | 0.8 | 0.6 | 0.4 |
| 330-669.9 | 670-999.9 | 133-329.9 | Dn-24.5 | 8.1 | 1.8 | 0.9 | 0.7 | 0.5 |
| 670-999.9 | - | 330-669.9 | Dn-28.0 | 9.5 | 2.5 | 1.0 | 0.8 | 0.6 |
| >1000 | Dn-38.0 | 13.8 | 3.0 | 1.2 | 0.9 | 0.7 | ||
Specification Table
| Order No. | Cylinder Diameter | Groove Diameter | Width |
| DnH9 | d₁h9 | Li+0.2 | |
| MAIS-14-8 | 8 | 3.1 | 2.2 |
| MAIS-14-10 | 10 | 5.1 | 2.2 |
| MAIS-14-12 | 12 | 7.1 | 2.2 |
| MAIS-14-14 | 14 | 9.1 | 2.2 |
| MAIS-14-15 | 15 | 7.5 | 3.2 |
| MAIS-14-16 | 16 | 11.1 | 2.2 |
| MAIS-14-16 | 16 | 8.5 | 3.2 |
| MAIS-14-18 | 18 | 13.1 | 2.2 |
| MAIS-14-18 | 18 | 10.5 | 3.2 |
| MAIS-14-19.05 | 19.05 | 11.55 | 3.2 |
| MAIS-14-20 | 20 | 15.1 | 2.2 |
| MAIS-14-20 | 20 | 12.5 | 3.2 |
| MAIS-14-21 | 21 | 13.5 | 3.2 |
| MAIS-14-22 | 22 | 17.1 | 2.2 |
| MAIS-14-22 | 22 | 14.5 | 3.2 |
| MAIS-14-24 | 24 | 16.5 | 3.2 |
| MAIS-14-25 | 25 | 20.1 | 2.2 |
| MAIS-14-25 | 25 | 17.5 | 3.2 |
| MAIS-14-25 | 25 | 14.0 | 4.2 |
| MAIS-14-25.4 | 25.4 | 20.5 | 2.2 |
| MAIS-14-28 | 28 | 20.5 | 3.2 |
| MAIS-14-30 | 30 | 22.5 | 3.2 |
| MAIS-14-32 | 32 | 27.1 | 2.2 |
| MAIS-14-32 | 32 | 24.5 | 3.2 |
| MAIS-14-32 | 32 | 21 | 4.2 |
| MAIS-14-35 | 35 | 27.5 | 3.2 |
| MAIS-14-35 | 35 | 24 | 4.2 |
| MAIS-14-36 | 36 | 28.5 | 3.2 |
| MAIS-14-38 | 38 | 30.5 | 3.2 |
| MAIS-14-40 | 40 | 32.5 | 3.2 |
| MAIS-14-40 | 40 | 29 | 4.2 |
| MAIS-14-42 | 42 | 31 | 4.2 |
| MAIS-14-44.45 | 44.45 | 36.95 | 3.2 |
| MAIS-14-45 | 45 | 34 | 4.2 |
| MAIS-14-48 | 48 | 37 | 4.2 |
| MAIS-14-50 | 50 | 42.5 | 3.2 |
| MAIS-14-50 | 50 | 39 | 4.2 |
| MAIS-14-50 | 50 | 34.5 | 6.3 |
| MAIS-14-110 | 110 | 89 | 8.1 |
| MAIS-14-115 | 115 | 99.5 | 6.3 |
| MAIS-14-120 | 120 | 109 | 4.2 |
| MAIS-14-120 | 120 | 104.5 | 6.3 |
| MAIS-14-120 | 120 | 99 | 8.1 |
| MAIS-14-125 | 125 | 114 | 4.2 |
| MAIS-14-125 | 125 | 109.5 | 6.3 |
| MAIS-14-125 | 125 | 104 | 8.1 |
| MAIS-14-127 | 127 | 111.5 | 6.3 |
| MAIS-14-130 | 130 | 114.5 | 6.3 |
| MAIS-14-130 | 130 | 109 | 8.1 |
| MAIS-14-132 | 132 | 121 | 4.2 |
| MAIS-14-135 | 135 | 114 | 8.1 |
| MAIS-14-140 | 140 | 124.5 | 6.3 |
| MAIS-14-140 | 140 | 119 | 8.1 |
| MAIS-14-145 | 145 | 129.5 | 6.3 |
| MAIS-14-145 | 145 | 124 | 8.1 |
| MAIS-14-150 | 150 | 134.5 | 6.3 |
| MAIS-14-150 | 150 | 129 | 8.1 |
| MAIS-14-155 | 155 | 134 | 8.1 |
| MAIS-14-160 | 160 | 144.5 | 6.3 |
| MAIS-14-160 | 160 | 139 | 8.1 |
| MAIS-14-165 | 165 | 144 | 8.1 |
| MAIS-14-170 | 170 | 149 | 8.1 |
| MAIS-14-175 | 175 | 154 | 8.1 |
| MAIS-14-180 | 180 | 164.5 | 6.3 |
| MAIS-14-180 | 180 | 159 | 8.1 |
| MAIS-14-190 | 190 | 169 | 8.1 |
| MAIS-14-194 | 194 | 178.5 | 6.3 |
| MAIS-14-200 | 200 | 184.5 | 6.3 |
| MAIS-14-200 | 200 | 179 | 8.1 |
| MAIS-14-205 | 205 | 184 | 8.1 |
| MAIS-14-210 | 210 | 189 | 8.1 |
| MAIS-14-215 | 215 | 194 | 8.1 |
| MAIS-14-220 | 220 | 199 | 8.1 |
| MAIS-14-230 | 230 | 214.5 | 6.3 |
| MAIS-14-230 | 230 | 209 | 8.1 |
| MAIS-14-240 | 240 | 219 | 8.1 |
| MAIS-14-800 | 800 | 772 | 9.5 |
| MAIS-14-900 | 900 | 872 | 9.5 |
| MAIS-14-1000 | 1000 | 972 | 9.5 |
| MAIS-14-1000 | 1000 | 962 | 13.8 |
| MAIS-14-1050 | 1050 | 1022 | 9.5 |
| MAIS-14-1065 | 1065 | 1027 | 13.8 |
| MAIS-14-1070 | 1070 | 1032 | 13.8 |
| Order No. | Cylinder Diameter | Groove Diameter | Width |
| DnH9 | d₁h9 | L₁+0.2 | |
| MAIS-14-50.8 | 50.8 | 43.3 | 3.2 |
| MAIS-14-50.8 | 50.8 | 39.8 | 4.2 |
| MAIS-14-52 | 52 | 41 | 4.2 |
| MAIS-14-53 | 53 | 42 | 4.2 |
| MAIS-14-55 | 55 | 44 | 4.2 |
| MAIS-14-57 | 57 | 46 | 4.2 |
| MAIS-14-58 | 58 | 47 | 4.2 |
| MAIS-14-60 | 60 | 49 | 4.2 |
| MAIS-14-62 | 62 | 51 | 4.2 |
| MAIS-14-63 | 63 | 52 | 4.2 |
| MAIS-14-63 | 63 | 47.5 | 6.2 |
| MAIS-14-65 | 65 | 54 | 4.2 |
| MAIS-14-68 | 68 | 57 | 4.2 |
| MAIS-14-70 | 70 | 59 | 4.2 |
| MAIS-14-70 | 70 | 54.5 | 6.3 |
| MAIS-14-75 | 75 | 64 | 4.2 |
| MAIS-14-75 | 75 | 59.5 | 6.3 |
| MAIS-14-80 | 80 | 69 | 4.2 |
| MAIS-14-80 | 80 | 64.5 | 6.3 |
| MAIS-14-80 | 80 | 59 | 8.1 |
| MAIS-14-82.5 | 82.5 | 67 | 6.3 |
| MAIS-14-85 | 85 | 69.5 | 6.3 |
| MAIS-14-85 | 85 | 64 | 8.1 |
| MAIS-14-90 | 90 | 79 | 4.2 |
| MAIS-14-90 | 90 | 74.5 | 6.3 |
| MAIS-14-90 | 90 | 69 | 8.1 |
| MAIS-14-95 | 95 | 84 | 4.2 |
| MAIS-14-95 | 95 | 79.5 | 6.3 |
| MAIS-14-95 | 95 | 74 | 8.1 |
| MAIS-14-100 | 100 | 89 | 4.2 |
| MAIS-14-100 | 100 | 84.5 | 6.3 |
| MAIS-14-100 | 100 | 79 | 8.1 |
| MAIS-14-101.6 | 101.6 | 86.1 | 6.3 |
| MAIS-14-105 | 105 | 94 | 4.2 |
| MAIS-14-105 | 105 | 89.5 | 6.3 |
| MAIS-14-108 | 108 | 92.5 | 6.3 |
| MAIS-14-110 | 110 | 99 | 4.2 |
| MAIS-14-110 | 110 | 94.5 | 6.3 |
| MAIS-14-250 | 250 | 229 | 8.1 |
| MAIS-14-250 | 250 | 225.5 | 8.1 |
| MAIS-14-250 | 250 | 134.5 | 6.3 |
| MAIS-14-254 | 254 | 233 | 8.1 |
| MAIS-14-260 | 260 | 239 | 8.1 |
| MAIS-14-265 | 265 | 244 | 8.1 |
| MAIS-14-268 | 268 | 247 | 8.1 |
| MAIS-14-270 | 270 | 249 | 8.1 |
| MAIS-14-280 | 280 | 259 | 8.1 |
| MAIS-14-290 | 290 | 269 | 8.1 |
| MAIS-14-300 | 300 | 279 | 8.1 |
| MAIS-14-300 | 300 | 275.5 | 8.1 |
| MAIS-14-304.8 | 304.8 | 283.8 | 8.1 |
| MAIS-14-310 | 310 | 289 | 8.1 |
| MAIS-14-320 | 320 | 299 | 8.1 |
| MAIS-14-320 | 320 | 295.5 | 8.1 |
| MAIS-14-330 | 330 | 305.5 | 8.1 |
| MAIS-14-340 | 340 | 315.5 | 8.1 |
| MAIS-14-350 | 350 | 325.5 | 8.1 |
| MAIS-14-360 | 360 | 335.5 | 8.1 |
| MAIS-14-370 | 370 | 345.5 | 8.1 |
| MAIS-14-380 | 380 | 355.5 | 8.1 |
| MAIS-14-400 | 400 | 375.5 | 8.1 |
| MAIS-14-420 | 420 | 395.5 | 8.1 |
| MAIS-14-430 | 430 | 405.5 | 8.1 |
| MAIS-14-440 | 440 | 415.5 | 8.1 |
| MAIS-14-450 | 450 | 425.5 | 8.1 |
| MAIS-14-460 | 460 | 435.5 | 8.1 |
| MAIS-14-480 | 480 | 455.5 | 8.1 |
| MAIS-14-500 | 500 | 475.5 | 8.1 |
| MAIS-14-555 | 555 | 530.5 | 8.1 |
| MAIS-14-600 | 600 | 575.5 | 8.1 |
| MAIS-14-640 | 640 | 615.5 | 8.1 |
| MAIS-14-660 | 660 | 635.5 | 8.1 |
| MAIS-14-700 | 700 | 672 | 9.5 |
| MAIS-14-710 | 710 | 682 | 9.5 |
| MAIS-14-740 | 740 | 712 | 9.5 |
| MAIS-14-780 | 780 | 752 | 9.5 |
| MAIS-14-1200 | 1200 | 1172 | 9.5 |
| MAIS-14-1200 | 1200 | 1162 | 13.8 |
| MAIS-14-1225 | 1225 | 1187 | 13.8 |
| MAIS-14-1500 | 1500 | 1462 | 13.8 |
| MAIS-14-2000 | 2000 | 1962 | 13.8 |
| MAIS-14-2700 | 2700 | 2662 | 13.8 |
Related products