Piston Seals
Sealing ring: F-PTFE
Elastomer: NBR
Check ring: polyamide(PA) or polyformaldehyde(POM)
Share:
Application Range
Used for hydraulic reciprocating motion systems; heavy-duty bidirectional piston seals under high-pressure condition. It is especially applicable for long stroke and extensive fluids and high temperature occasions, and also applicable to larger piston clearance. It has good performance of leakage control, anti-extrusion and resistance to wear and can be mainly used for oil cylinder pistons sealing of heavy-duty or construction machinery, such as excavators and heavy-duty hydraulic cylinders.
Please refer to standards of PHD series of Trelleborg Company, SPGW series of NOK Company, Y3 series of Parkrt Company and KHD series of AS Company when designing and selecting.
Features
Good dynamic and static sealing performance
Simple groove structure
Allow larger extrusion gap
Long service life
Little static and dynamic friction coefficient and low wear
No crawling while starting up and can work stably
Owing to larger extrusion clearance, it can be safely used in the Medium with sewage
Working Conditions
| Speed | Pressure Range | TemperatureRange | Media | AvailableDiameter Range |
| 1.5m/s | 0~50MPa | -30℃ +100℃ | Petroleum base hydraulic oil, fire-resistant hydraulic fluid, environmentally-safe hydraulic oil(biological oil), water and others, depending on thematerials of sealing rings | 50-500mm |

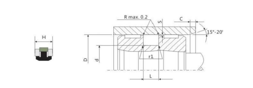
Specification Table
| Order No. | Cylinder Diameter | Bottom Diameter | Width |
| D | d | L+0.2 | |
| MAIS-31-50 | 50 | 36 | 9 |
| MAIS-31-55 | 55 | 41 | 9 |
| MAIS-31-60 | 60 | 46 | 9 |
| MAIS-31-63 | 63 | 48 | 11 |
| MAIS-31-65 | 65 | 50 | 11 |
| MAIS-31-70 | 70 | 55 | 11 |
| MAIS-31-105 | 105 | 90 | 12.5 |
| MAIS-31-110 | 110 | 95 | 12.5 |
| MAIS-31-115 | 115 | 100 | 12.5 |
| MAIS-31-120 | 120 | 105 | 12.5 |
| MAIS-31-125 | 125 | 102 | 16 |
| MAIS-31-130 | 130 | 107 | 16 |
| MAIS-31-135 | 135 | 112 | 16 |
| MAIS-31-140 | 140 | 117 | 16 |
| MAIS-31-145 | 145 | 122 | 16 |
| MAIS-31-150 | 150 | 127 | 16 |
| MAIS-31-155 | 155 | 132 | 16 |
| MAIS-31-160 | 160 | 137 | 16 |
| MAIS-31-165 | 165 | 142 | 16 |
| MAIS-31-170 | 170 | 147 | 16 |
| MAIS-31-180 | 180 | 157 | 16 |
| Order No. | Cylinder Diameter | Bottom Diameter | Width |
| D | d | L+0.2 | |
| MAIS-31-75 | 75 | 60 | 11 |
| MAIS-31-80 | 80 | 65 | 11 |
| MAIS-31-85 | 85 | 70 | 11 |
| MAIS-31-90 | 90 | 75 | 11 |
| MAIS-31-95 | 95 | 80 | 11 |
| MAIS-31-100 | 100 | 85 | 12.5 |
| MAIS-31-185 | 185 | 162 | 16 |
| MAIS-31-190 | 190 | 167 | 16 |
| MAIS-31-200 | 200 | 177 | 16 |
| MAIS-31-210 | 210 | 187 | 16 |
| MAIS-31-220 | 220 | 197 | 16 |
| MAIS-31-225 | 225 | 202 | 16 |
| MAIS-31-230 | 230 | 207 | 16 |
| MAIS-31-240 | 240 | 217 | 16 |
| MAIS-31-250 | 250 | 222 | 17.5 |
| MAIS-31-260 | 260 | 232 | 17.5 |
| MAIS-31-270 | 270 | 242 | 17.5 |
| MAIS-31-280 | 280 | 252 | 17.5 |
| MAIS-31-300 | 300 | 272 | 17.5 |
| MAIS-31-320 | 320 | 292 | 17.5 |
| MAIS-31-350 | 350 | 322 | 17.5 |
Related products