Rod Seals
Sealing ring: F-PTFE
Elastomer: NBR or FKM
Share:
Application Range
This sealing ring is used for conditions of extensive pressure and high sliding speed.
Please refer to the standards of SPN series of NOK Company when designing and selecting.
Features
The sliding material is F-PTFE and the sealing ring features low friction resistance, so it can eliminate the crawling and ensure high abrasion resistance.
Working Conditions
| Speed | PressureRange | TemperatureRange | Media | AvailableDiameter Range |
| 1.5m/s | 0~35MPa | -30℃ +200℃ | Commonly used petroleum basehydraulic oil, water, Ethyleneglycol hydraulic oil, oil-water emulsifying hydraulic oil | 18-500mm |

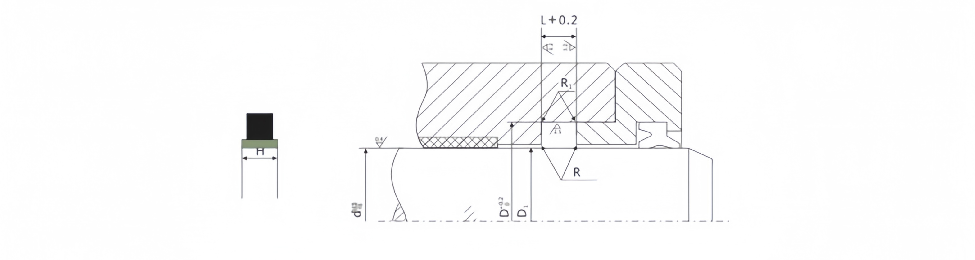
Specification Table
| Order No. | Nominal Dimension of Sealing | L+0.2 | ||
| d | D | H | ||
| MAIS-19-18 | 18 | 27 | 4.3 | 4.5 |
| MAIS-19-20 | 20 | 29 | 4.3 | 4.5 |
| MAIS-19-22 | 22 | 31 | 4.3 | 4.5 |
| MAIS-19-27 | 27 | 36 | 4.3 | 4.5 |
| MAIS-19-31.5 | 31.5 | 40.5 | 4.3 | 4.5 |
| MAIS-19-47 | 47 | 60 | 7.3 | 7.5 |
| MAIS-19-53 | 53 | 66 | 7.3 | 7.5 |
| MAIS-19-60 | 60 | 73 | 7.3 | 7.5 |
| MAIS-19-65 | 65 | 78 | 7.3 | 7.5 |
| MAIS-19-70 | 70 | 83 | 7.3 | 7.5 |
| MAIS-19-75 | 75 | 88 | 7.3 | 7.5 |
| MAIS-19-80 | 80 | 93 | 7.3 | 7.5 |
| MAIS-19-90 | 90 | 103.4 | 7.3 | 7.5 |
| MAIS-19-100 | 100 | 113.4 | 7.3 | 7.5 |
| MAIS-19-105 | 105 | 118.4 | 7.3 | 7.5 |
| MAIS-19-110 | 110 | 123.4 | 7.3 | 7.5 |
| MAIS-19-120 | 120 | 133.4 | 7.3 | 7.5 |
| MAIS-19-130 | 130 | 143.4 | 7.3 | 7.5 |
| MAIS-19-140 | 140 | 153.4 | 7.3 | 7.5 |
| MAIS-19-150 | 150 | 163.4 | 7.3 | 7.5 |
Related products