Rod Seals
Sealing ring: F-PTFE
Elastomer: NBR
Share:
Application Range
It is a double combined sealing which is consisted of one PTFE profiled section sliding ring and one rectangular ring acting as the preload element.It especially suitable for larger piston lever diameter and piston lever sealing system of heavy-duty hydraulic cylinder under severe working conditions, for example, it can be used for injection molding machines, metallurgical machinery, marine hydraulic equipment, hydraulic machines, construction machinery, cranes and hydraulic control systems.
Please refer to standards of OMS-S products of Merkel Company when designing and selecting.
Features
High pressure-tolerant characteristics
Strong ability of anti-extrusion clearance
Adoption of anti-twist design
High abrasion resistance performance
Low friction with no"hydraulic crawling"will be caused
Working Conditions
| Speed | Pressure Range | Temperature Range | Media | Available Diameter Range |
| 5m/s | 0~60MPa | -30℃ +200℃ | Petroleum base hydraulic oil, fire-resistant hydraulic fluid, environmentally-safe hydraulic oil(biological oil), water andothers, depending on thematerials of sealing rings | 50-2000mm |

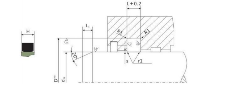
Installation Dimension
| Shaft Diameter | Outer Diameter | Groove Width | Installation Chamfer | Fillet | Radial Clearance S max | ||
| d f8 | D H8 | L+0.2 | L₁ | r1 | 10MPa | 20MPa | 40MPa |
| 50-69.9 | d+15.0 | 7.5 | 5.0 | 0.4 | 0.5 | 0.4 | 0.3 |
| 70-200 | d+20.0 | 10.0 | 6.0 | 0.4 | 0.7 | 0.5 | 0.4 |
| 210-300 | d+25.0 | 12.5 | 8.5 | 0.4 | 0.8 | 0.6 | 0.5 |
| 310-540 | d+30.0 | 15.0 | 10.0 | 0.8 | 0.9 | 0.7 | 0.6 |
| 545-690 | d+35.0 | 17.5 | 13.0 | 1.2 | 1.0 | 0.8 | 0.7 |
| 700-1500 | d+40.0 | 20.0 | 15.0 | 1.2 | 1.0 | 0.8 | 0.7 |
Specification Table
| Order No. | Shaft Diameter | Outer Diameter | Groove |
| df8 | DH8 | L+0.2 | |
| MAIS-20-50 | 50 | 65 | 7.5 |
| MAIS-20-60 | 60 | 75 | 7.5 |
| MAIS-20-80 | 80 | 100 | 10 |
| MAIS-20-100 | 100 | 120 | 10 |
| MAIS-20-110 | 110 | 130 | 10 |
| MAIS-20-115 | 115 | 135 | 10 |
| MAIS-20-120 | 120 | 140 | 10 |
| MAIS-20-130 | 130 | 150 | 10 |
| MAIS-20-140 | 140 | 160 | 10 |
| MAIS-20-145 | 145 | 165 | 10 |
| MAIS-20-150 | 150 | 170 | 10 |
| MAIS-20-160 | 160 | 180 | 10 |
| MAIS-20-170 | 170 | 190 | 10 |
| MAIS-20-175 | 175 | 195 | 10 |
| MAIS-20-180 | 180 | 200 | 10 |
| MAIS-20-200 | 200 | 220 | 10 |
| MAIS-20-230 | 230 | 255 | 12.5 |
| MAIS-20-240 | 240 | 265 | 12.5 |
| MAIS-20-250 | 250 | 275 | 12.5 |
| MAIS-20-260 | 260 | 285 | 12.5 |
| MAIS-20-265 | 265 | 290 | 12.5 |
| MAIS-20-270 | 270 | 295 | 12.5 |
| MAIS-20-280 | 280 | 305 | 12.5 |
| MAIS-20-290 | 290 | 315 | 12.5 |
| MAIS-20-300 | 300 | 325 | 12.5 |
| MAIS-20-310 | 310 | 340 | 15 |
| MAIS-20-315 | 315 | 345 | 15 |
| MAIS-20-320 | 320 | 350 | 15 |
| MAIS-20-325 | 325 | 355 | 15 |
| MAIS-20-330 | 330 | 360 | 15 |
| MAIS-20-340 | 340 | 370 | 15 |
| MAIS-20-350 | 350 | 380 | 15 |
| MAIS-20-360 | 360 | 390 | 15 |
| MAIS-20-370 | 370 | 400 | 15 |
| MAIS-20-380 | 380 | 410 | 15 |
| MAIS-20-390 | 390 | 420 | 15 |
| MAIS-20-400 | 400 | 430 | 15 |
| MAIS-20-410 | 410 | 440 | 15 |
| MAIS-20-420 | 420 | 450 | 15 |
| MAIS-20-430 | 430 | 460 | 15 |
| Order No. | Cylinder Diameter | Bottom Diameter | Width |
| df8 | DH8 | L+0.2 | |
| MAIS-20-70 | 70 | 85 | 7.5 |
| MAIS-20-75 | 75 | 95 | 10 |
| MAIS-20-435 | 435 | 465 | 15 |
| MAIS-20-440 | 440 | 470 | 15 |
| MAIS-20-445 | 445 | 475 | 15 |
| MAIS-20-450 | 450 | 480 | 15 |
| MAIS-20-460 | 460 | 490 | 15 |
| MAIS-20-470 | 470 | 500 | 15 |
| MAIS-20-480 | 480 | 510 | 15 |
| MAIS-20-490 | 490 | 520 | 15 |
| MAIS-20-500 | 500 | 530 | 15 |
| MAIS-20-510 | 510 | 540 | 15 |
| MAIS-20-520 | 520 | 550 | 15 |
| MAIS-20-530 | 530 | 560 | 15 |
| MAIS-20-540 | 540 | 575 | 15 |
| MAIS-20-545 | 545 | 580 | 17.5 |
| MAIS-20-550 | 550 | 585 | 17.5 |
| MAIS-20-560 | 560 | 595 | 17.5 |
| MAIS-20-570 | 570 | 605 | 17.5 |
| MAIS-20-580 | 580 | 615 | 17.5 |
| MAIS-20-590 | 590 | 625 | 17.5 |
| MAIS-20-600 | 600 | 635 | 17.5 |
| MAIS-20-620 | 620 | 655 | 17.5 |
| MAIS-20-630 | 630 | 665 | 17.5 |
| MAIS-20-640 | 640 | 675 | 17.5 |
| MAIS-20-645 | 645 | 680 | 17.5 |
| MAIS-20-650 | 650 | 685 | 17.5 |
| MAIS-20-660 | 660 | 695 | 17.5 |
| MAIS-20-670 | 670 | 705 | 17.5 |
| MAIS-20-680 | 680 | 715 | 17.5 |
| MAIS-20-690 | 690 | 725 | 17.5 |
| MAIS-20-700 | 700 | 740 | 20 |
| MAIS-20-720 | 720 | 760 | 20 |
| MAIS-20-730 | 730 | 770 | 20 |
| MAIS-20-740 | 740 | 780 | 20 |
| MAIS-20-750 | 750 | 790 | 20 |
| MAIS-20-760 | 760 | 800 | 20 |
| MAIS-20-770 | 770 | 810 | 20 |
| MAIS-20-790 | 790 | 830 | 20 |
| MAIS-20-800 | 800 | 840 | 20 |
Related products