Wiper Seals
Sealing ring: F-PTFE
Elastomer: NBR or FKM
Share:
Application Range
JPT2 dust-proof ring consists of one special-shaped ring with sealing edge and dust-proof edge and two O- rings as the preloaded elements; it has excellent dust scraping effect, low friction, without stick-slip phenomenon, and can be applied for hydraulic machine, injection molding machine, roll machine, metallurgical machinery and other equipment.
Please refer to the standards of WEMHG series of Trellebrg Company and PT2 series of Merker Company when designing.
Features
Low friction and viscous friction
Especially applicable for piston lever with large diameter
Wonderful adjusting and positioning capabilities during working process.
Working Conditions
| Speed | Pressure Range | Temperature Range | Media | Available Diameter Range |
| 5m/s | - | -30℃ +200℃ | Hydraulic oil, water or others | 100-2000mm |

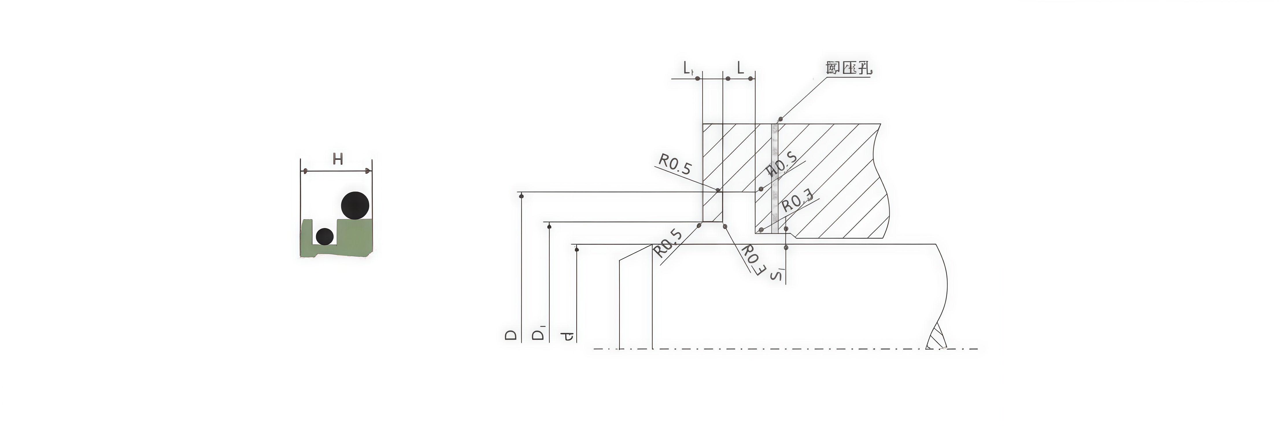
Installation Dimension
| Shaft Diameter d f8 | Groove Diameter | Groove Width | Platform Diameter | Fillet | Guiding Length | |
| Standard | Applicable | DH9 | L+0.2 | D₁ ±0.1 | r | L₁ |
| 100-229.9 | 100-450.0 | d+22.2 | 6.3 | d+10.7 | 1.2 | 4.2 |
| 230-299.9 | 220-450.0 | d+24.2 | 6.3 | d+10.7 | 1.2 | 4.2 |
| 300-629.9 | 250-650.0 | d+33.0 | 8.1 | d+15.1 | 1.2 | 6.3 |
| 630-999.9 | 500.0 | d+36.5 | 9.5 | d+15.1 | 2.0 | 6.3 |
Specification Table
| Order No. | d f8 | DH9 | H | L+0.2 | L₂ |
| MAIS-27-100 | 100 | 122.2 | 13.5 | 6.3 | 4.2 |
| MAIS-27-110 | 110 | 132.2 | 13.5 | 6.3 | 4.2 |
| MAIS-27-120 | 120 | 142.2 | 13.5 | 6.3 | 4.2 |
| MAIS-27-130 | 130 | 152.2 | 13.5 | 6.3 | 4.2 |
| MAIS-27-139.7 | 139.7 | 161.9 | 13.5 | 6.3 | 4.2 |
| MAIS-27-140 | 140 | 162.2 | 13.5 | 6.3 | 4.2 |
| MAIS-27-220 | 220 | 242.2 | 13.5 | 6.3 | 4.2 |
| MAIS-27-228.6 | 228.6 | 250.8 | 13.5 | 6.3 | 4.2 |
| MAIS-27-230 | 230 | 254.2 | 13.5 | 6.3 | 4.2 |
| MAIS-27-240 | 240 | 264.2 | 13.5 | 6.3 | 4.2 |
| MAIS-27-260 | 260 | 284.2 | 13.5 | 6.3 | 4.2 |
| MAIS-27-275 | 275 | 299.2 | 13.5 | 6.3 | 4.2 |
| MAIS-27-280 | 280 | 304.2 | 13.5 | 6.3 | 4.2 |
| MAIS-27-295 | 295 | 319.2 | 13.5 | 6.3 | 4.2 |
| MAIS-27-300 | 300 | 333 | 18.4 | 8.1 | 6.3 |
| MAIS-27-330.2 | 330.2 | 363.2 | 18.4 | 8.1 | 6.3 |
| MAIS-27-350 | 350 | 383 | 18.4 | 8.1 | 6.3 |
| MAIS-27-360 | 360 | 393 | 18.4 | 8.1 | 6.3 |
| MAIS-27-370 | 370 | 403 | 18.4 | 8.1 | 6.3 |
| MAIS-27-380 | 380 | 413 | 18.4 | 8.1 | 6.3 |
| MAIS-27-385 | 385 | 418 | 18.4 | 8.1 | 6.3 |
| MAIS-27-390 | 390 | 423 | 18.4 | 8.1 | 6.3 |
| MAIS-27-400 | 400 | 433 | 18.4 | 8.1 | 6.3 |
| MAIS-27-420 | 420 | 453 | 18.4 | 8.1 | 6.3 |
| MAIS-27-430 | 430 | 463 | 18.4 | 8.1 | 6.3 |
| MAIS-27-431.8 | 431.8 | 464.8 | 18.4 | 8.1 | 6.3 |
| MAIS-27-450 | 450 | 483 | 18.4 | 8.1 | 6.3 |
| MAIS-27-470 | 470 | 503 | 18.4 | 8.1 | 6.3 |
| Order No. | d f8 | DH9 | H | L+0.2 | L₁ |
| MAIS-27-150 | 150 | 172.2 | 13.5 | 6.3 | 4.2 |
| MAIS-27-160 | 160 | 182.2 | 13.5 | 6.3 | 4.2 |
| MAIS-27-170 | 170 | 192.2 | 13.5 | 6.3 | 4.2 |
| MAIS-27-180 | 180 | 202.2 | 13.5 | 6.3 | 4.2 |
| MAIS-27-200 | 200 | 222.2 | 13.5 | 6.3 | 4.2 |
| MAIS-27-210 | 210 | 232.2 | 13.5 | 6.3 | 4.2 |
| MAIS-27-480 | 480 | 513 | 18.4 | 8.1 | 6.3 |
| MAIS-27-500 | 500 | 533 | 18.4 | 8.1 | 6.3 |
| MAIS-27-510 | 510 | 543 | 18.4 | 8.1 | 6.3 |
| MAIS-27-560 | 560 | 593 | 18.4 | 8.1 | 6.3 |
| MAIS-27-600 | 600 | 633 | 18.4 | 8.1 | 6.3 |
| MAIS-27-630 | 630 | 666.5 | 19.8 | 9.5 | 6.3 |
| MAIS-27-640 | 640 | 676.5 | 19.8 | 9.5 | 6.3 |
| MAIS-27-660 | 660 | 696.5 | 19.8 | 9.5 | 6.3 |
| MAIS-27-670 | 670 | 706.5 | 19.8 | 9.5 | 6.3 |
| MAIS-27-740 | 740 | 776.5 | 19.8 | 9.5 | 6.3 |
| MAIS-27-795 | 795 | 831.5 | 19.8 | 9.5 | 6.3 |
| MAIS-27-800 | 800 | 836.5 | 19.8 | 9.5 | 6.3 |
| MAIS-27-820 | 820 | 856.5 | 19.8 | 9.5 | 6.3 |
| MAIS-27-830 | 830 | 866.5 | 19.8 | 9.5 | 6.3 |
| MAIS-27-850 | 850 | 886.5 | 19.8 | 9.5 | 6.3 |
| MAIS-27-890 | 890 | 926.5 | 19.8 | 9.5 | 6.3 |
| MAIS-27-950 | 950 | 986.5 | 19.8 | 9.5 | 6.3 |
| MAIS-27-970 | 970 | 1006.5 | 19.8 | 9.5 | 6.3 |
| MAIS-27-1130 | 1130 | 1166.5 | 19.8 | 9.5 | 6.3 |
| MAIS-27-1150 | 1150 | 1186.5 | 19.8 | 9.5 | 6.3 |
| MAIS-27-1160 | 1160 | 1196.5 | 19.8 | 9.5 | 6.3 |
| MAIS-27-1320 | 1320 | 1356.5 | 19.8 | 9.5 | 6.3 |
Related products